
Kahetoimeline tagasilöögiklapp, tuntud ka kui “lukk”, blokeerib ajami kolvivarda liikumist mõlemas suunas. See tagab kolvivarda asendi stabiliseerumise, kui jaoturit ei juhita.
ÜLDINFO:
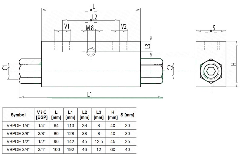
Ühendus: Ühendage V1 ja V2 näiteks hüdraulilise jaoturi sektsiooni toiteliinidega.
Ühendage C1 ja C2 vastuvõtjaga, näiteks silindriga.
Vool V1-st C1-sse ja V2-st C2-sse on täielikult blokeeritud, kui V1-l ja V2-l puudub rõhk.
Vool V1-st C1-sse ja V2-st C2-sse avaneb, kui V1-le või V2-le rakendatakse rõhku.
Maksimaalne vool: 20L/min
Hüdrauliliste pesade arv korpuses: 4
Korpuse sisekeere: 1/4”
Materjal: tsingitud teras
