• PAKKUMISED E-MAILILE
Flexib hüdraulika
Select category
  • Select category
  • Aiatarbed
    • Aiavoolikud
    • Trimmerid
    • Trimmerijõhvid
  • Autotarbed
    • Diagnostikaseadmed
    • Inverterid
    • Tuled ja vilkurid
      • Ledbar
      • Töötuled
    • Varuosad
  • Autotarbed, Tarvikud
    • Komplektid
    • Määrdeained, Tarvikud
      • Määrdeained
        • Määrded määrdepritsile, Tarvikud
  • Garaažiseadmed
    • Akulaadijad ja starterid
    • Hüdropressid
    • Käigukasti ja mootori tõstukid
    • Kompressorid
    • Liivapritsid ja liivapritsi tarvikud
    • Metalli ja torupainutajad
    • Rehvitööd
      • Veljeraskused
      • Ventiilid
    • Tungrauad
    • Vanaõli kogujad ja õliimurid
    • Vedrupressid
  • Generaatorid ja mootorid
    • Elektrimootorid
    • Töömootorid
    • Veepumbad
    • veepumbad
  • Hüdroõli
  • HYDRAULIIKKAKONEIKOT
  • HYDRAULIIKKAKONEIKOT
  • Joystick juhtimine ja juhtkangid
    • Elektrilised joystick juhtkangid
    • Joystick trossid
    • Kahvliga juhtrossidele
    • Kuuliga juhtrossidele
    • Lisatarvikud
  • Keevitusseadmed
    • Elektrood keevitusseadmed
      • Jasic TIG keevitusseadmed
    • Keevitusmaskid
    • Keevitusmaterjalid
      • TIG vardad ja TIG elektroodid
    • Keevitustarvikud
      • Volfram elektroodid
    • MIG keevitusseadmed
      • Jasic MIG keevitusseadmed
    • Plasmalõikurid
      • Jasic plasmalõikurid
    • TIG keevitusseadmed
      • Jasic TIG keevitusseadmed
  • Manomeetrid
    • Manomeetrite tarvikud
  • Munitsipaalmasinad
  • Muud tarvikud
  • Põllumajandus
    • Äkked ja tarvikud
    • Ehituskopad
    • Eurokinnitused
    • Frontaallaaduri lisaseadmed
      • Pallihaaratsid
    • Frontaallaadurid
    • Haagiste tarvikud
    • Haakeraua tarvikud
    • Istmed ja traktori toolid
    • Lumesahad
    • Ruloonpiigid
    • Ruloonpiikide tarvikud
    • Traktori haakeseadmed
  • PVC Voolikud
  • Rattad
    • Piduritega rattad
  • Tarvikud
    • CNC komponendid
    • Elektriseadmed
    • Koormakatted ja presendid
    • Lõike- ja lamellkettad
      • Lihvpaberid
      • Teemantkettad
    • Määrdeained
    • Mototehnika tarvikud
    • Talid ja vintsid
    • Tarvikute komplektid
    • Töövarustus
  • Tööriistad
    • Autoremont
      • Hammasrihma vahetuse -ja jaotusmehhanismi tööriistad
      • Tõmmitsad ja pressid
    • Autoremont, Autotarbed, Tarvikud
      • Määrdeained, Tarvikud
    • Ehitustööriistad
      • Laserid
      • Redelid
    • Elektriku tööriistad
    • Elektrilised tööriistad
    • Kruvikeerajad
    • Maalritööd
    • Metsatööd
    • Momentvõtmed
    • Muud tarvikud
    • Näpitsad ja tangid
    • Puurid ja tarvikud
    • Puutööriistad
    • Rehvitööd
    • Suruõhutööriistad
      • Suruõhuvoolikud
      • Värvipüstolid
    • Tõmmitsad
    • Töökindad
    • Torutööd
    • Võtmete komplektid
  • Ühendusflantsid ja sidurid
  • 1-sektsioonilised käsipumbad
  • 2-sektsioonilised käsipumbad
  • Õlipaagid käsipumpadele
  • 100/50 Hüdrosilindrid
  • Hüdrosilindrid 50/28
  • Hüdrosilindrid 63/32
  • Hüdrosilindrid 63/36
  • Hüdrosilindrid 80/45
  • 12L / min
  • 15L / min
  • 18L / min
  • 21L / min
  • 24L / min
  • 30L / min
  • 33L / min
  • 39L / min
  • 51L / min
  • 58L / min
  • 69l / min
  • 6L / min
  • 78l / min
  • 94l / min
  • 9L / min
  • 12V
  • 24V
  • 12V
  • 12V
  • 24V
  • 12V
  • 230V
  • 24V
  • 12V
  • 12V kuni 140L / min
  • 12V kuni 250L / min
  • 12V kuni 50L / min
  • 12V kuni 90L / min
  • 24V kuni 140L / min
  • 24V kuni 250L / min
  • 24V kuni 50L / min
  • 24V kuni 90L / min
  • 12V Hüdroklapiga
  • 230V Hüdroklapiga
  • 24V Hüdroklapiga
  • Kuulkraaniga
  • 12V jahutusega õliradiaatorid
  • 230V jahutusega õliradiaatorid
  • 24V jahutusega õliradiaatorid
  • Õliradiaatorite tarvikud
  • 12V mobiilsed hüdrojaamad
  • 24V mobiilsed hüdrojaamad
  • Kolme faasilised hüdrojaamad
  • 2.seeria hammasrataspumbad
  • Hüdropumpade tarvikud
  • Rotatsioon: Parem
  • Rotatsioon: Vasak
  • 24V Hüdroklapiga
  • Kuulkraaniga
  • 3 faasilised elektrimootorid 380V
  • Elektrimootori inverterid
  • 40/22 Hüdrosilindrid
  • 50/28 hüdrosilindrid
  • 63/32 Hüdrosilindrid
  • 63/36 Hüdrosilindrid
  • Haakeraua hüdrosilindrid
  • Hüdrosilindri tarvikud
  • Hüdrosilindrid 25/16
  • Hüdrosilindrid 25/17
  • Hüdrosilindrid 25/18
  • Hüdrosilindrid 25/19
  • Hüdrosilindrid 25/20
  • Hüdrosilindrid 32/20
  • Hüdrosilindrid 32/21
  • Hüdrosilindrid 32/22
  • Hüdrosilindrid 32/23
  • Hüdrosilindrid 32/24
  • Hüdrosilindrid 32/25
  • Hüdrosilindrid 32/26
  • Hüdrosilindrid 40/25
  • Hüdrosilindrid 50/28
  • Hüdrosilindrid 63/32
  • Hüdrosilindrid 63/36
  • Hüdrosilindrid 80/45
  • Hüdrosilindrid rotatsiooni klapiga
  • Laaduri hüdrosilindrid
  • Puulõhkuja hüdrosilindrid
  • Roolivõimendi hüdrosilindrid
  • Roolivõimendi hüdrosilindrid
  • Teleskoop hüdrosilindrid
  • Ühepoolsed hüdrosilindrid
  • Varuosad
  • AA Hüdraulika ühendused
  • AA Nurgaga hüdraulika ühendused
  • AB Hüdraulika ühendused
  • AB Nurgaga hüdraulika ühendused
  • BA Nurgaga hüdraulika ühendused
  • BB Hüdraulika ühendused
  • BB Nurgaga hüdraulika ühendused
  • Kiirliitmikud hüdrovoolikutele
  • Kiirliitmikute tarvikud
  • Kolmik hüdraulika ühendused
  • Pöörlevad hüdraulika ühendused
  • Puksid
  • Silmused
  • Stutsid ja poldid
  • Aksessuaarid
  • Alternatiiv hüdroklapid
  • CETOP 3NG 6
  • Drosselklapid
  • Elektriliselt juhitavad
  • Hüdroklapid 230V
  • Hüdroklapid hüdromootoritele
  • Hüdrovoolu jagajad
  • Jadamisi süsteemide hüdroklapid
  • Käsikraaniga hüdroklapid
  • Külvikute hüdroklapid
  • Rõhuandriga hüdroklapid
  • Rotatsiooniklapid
  • Suunaklapid
  • Tagasivoolu hüdroklapid
  • Turvaklapid
  • Ülevoolu klapid
  • Vooluhulgaregulaatorid
  • B3 korpusega elektrimootorid
  • Elektrimootorid inverteriga
  • Koja flantsiga elektrimootorid
  • Badestnost
  • GALTECH
  • Poclain
  • BANJO
  • Hüdrovooliku hülsid
  • M keere (koonus)
  • Toll keere (koonus)
  • Bensiinimootoriga hüdrojaamad
  • Hüdrojaamade lisatarvikud
  • PTO hüdrojaamad
  • CARRARO
  • Case IH
  • CLAAS
  • DAVID BROWN
  • DEUTZ
  • EICHER
  • FENDT
  • FIAT
  • FORD
  • GÜLDNER
  • HÜRLIMANN
  • JOHN DEERE
  • LAMBORGHINI
  • Landini
  • LINDER
  • Massey Ferguson
  • MF 3-silindriline
  • MF 4-silindriline
  • NEW HOLLAND
  • Pump MC CORMICK
  • RENAULT
  • SAME
  • Steyr
  • Ursus 3512
  • Ursus C-330
  • Ursus C-360
  • Ursus C-385
  • Zetor 5211 – 7211
  • Dosaatori tarvikud
  • Dosaatorid – Tavaliselt avatud
  • Dosaatorid – Tavaliselt suletud
  • Dosaatorid Danfoss
  • M+S
  • Dosaatorid
  • Hüdraulika haagistele ja kalluritele
  • Hüdraulika komplektid
  • Hüdraulilised roolivõimendid
  • Hüdraulilised rotaatorid
  • Hüdroakud
  • Hüdrojagajad
  • Hüdromootorid
  • Hüdroõli paagid
  • Hüdropumbad
  • Hüdrosilindrid
  • Hüdrovoolikud
  • Tarvikud
  • Traktorite ja rasketehnika hüdraulika
  • Elektrilised juhtpaneelid 12V
  • Elektrilised juhtpaneelid 24V
  • Kaablid
  • Elektriliselt juhitavad hüdrojagajad 24V
  • Hüdraulika komplektid kuni 40L / min
  • Hüdraulika komplektid kuni 60L / min
  • Hüdraulika komplektid kuni 80L / min
  • Hüdraulika komplektid kuni 90L / min
  • Hüdrojagajad Joystick trossidega
  • Hüdrojagajad Joystick trossidega kuni 120L / min
  • Hüdrojagajad Joystick trossidega kuni 40L / min
  • Hüdrojagajad Joystick trossidega kuni 60L / min
  • Hüdrojagajad Joystick trossidega kuni 80L / min
  • Hüdrojagajad Joystick trossidega kuni 90L / min
  • Hüdrojagajad kuni 120L / min
  • Hüdrojagajad kuni 40l/min
  • Hüdrojagajad kuni 80l/min
  • Joystick hüdrojagajad kuni 40l/min
  • Joystick hüdrojagajad kuni 60l/min
  • Joystick hüdrojagajad kuni 80l/min
  • Lisatarvikud
  • Metsatõstuki jagajad
  • Pneumaatiliselt juhitavad hüdrojagajad kuni 40l/min
  • Pneumaatiliselt juhitavad hüdrojagajad kuni 80L / min
  • Hammasratas hüdromootorid
  • Hüdromootorid BMR SMR SMP
  • Hüdromootorid BMT
  • Hüdromootorid BMV
  • Hüdromootorid MM
  • Hüdromootorid MMS
  • Hüdromootorid MR
  • Hüdromootorid MS
  • Hüdromootorid SMM OMM BMM
  • Hüdromootorid SMS OMR OMS
  • Hüdromootorite tarvikud
  • Hammasrataspumbad
  • Kolbpumbad
  • Hüdraulika torud
  • Hüdraulika ühendused
  • Hüdraulikafiltrid
  • Hüdraulilised ventilatsiooniavad
  • Hüdroklapid
  • Hüdrovoolikute ja torude kinnitused ja klambrid
  • Hüdrovoolikute kaitse
  • Hüdrvoolikute ühendused
  • Õlivoolu mõõdikud
  • Tihendid
  • Hüdroakude tarvikud
  • Topelt hüdroakud
  • Üksikud
  • Hüdrosilindrid 50/28
  • Hüdrosilindrid 50/40
  • Hüdrosilindrid 63/32
  • Hüdrosilindrid 63/36
  • Hüdrosilindrid 80/45
  • Hüdrovooliku hülsid
  • Hüdrovoolikud rulllis
  • Stutserid
  • Hüdrovoolikute korgid ja pimedad
  • Meetermõõdustik korgid ja pimedad
  • Tollmõõdustik korgid ja pimedad
  • Imemistorustiku õlifiltrid
  • Kuni 120L / min
  • Kuni 85l / min
  • Kuni 40L / min
  • Kuni 60L / min
  • Kuni 80L / min
  • Kuni 40L / min
  • Kuni 80L / min
  • Kuni 60L / min
  • Margipõhised
  • Meetermõõdustik mutrid
  • Tollmõõdustik mutrid
  • MTZ
  • MTZ 80 82
  • T-25
  • Ursus 3502 Orchard
  • Ursus 3512 MF 3cyl
  • Ursus 4512 MF 4cyl
  • Ursus C-330
  • Ursus C-360
  • Ursus C-360-3P
  • Ursus C-385 U912
  • Ursus C-385A U914
  • Zetor 5211-7211
  • Zetor 7045-7245
  • Õlipaakide tarvikud
  • PTO kordistajad ja reduktorid
  • Reduktorite ja kordistajate tarvikud
  • Raadio puldid ja kontrollerid
  • Rotatsioon: Parem
  • Rotatsioon: Vasak
  • Topeltpumbad
  • Rotatsioon: Parem
  • Rotatsioon: Vasak
  • Topeltpumbad
  • Rotatsioon: Parem
  • Rotatsioon: Vasak
  • Tavapäraselt avatud klapid
  • Tavapäraselt suletud klapid
  • Traktor T25
  • Universaalsed hüdraulikafiltrid
0 items / €0,00
Menu
Flexib hüdraulika
0 items / €0,00
Browse Categories
  • Hüdraulika
    • Hüdraulika komplektid
    • Hüdraulika tarvikud
  • Hüdrosilindrid
  • Hüdropumbad
  • Hüdromootorid
  • Hüdrovoolikud
  • Hüdrojaamad
  • Hüdroõli paagid
  • Hüdroõli
  • Joystick juhtimine ja juhtkangid
  • Reduktorid ja kordistajad
  • Elektrimootorid
  • Raadio juhtpuldid
  • Tarvikud
    • Rattad
    • Õliradiaatorid
  • Põllumajandus
  • Tööriistad
  • Pood
  • Hüdraulika
  • Hüdrovoolikud rulllis
  • Frontaallaadurid
  • ERIPAKKUMISED
-32%
Hüdrofilter 220bar HP0502A25ANP01 MP Filter Italy Universaalsed hüdraulikafiltrid Hüdraulikafiltrid
Click to enlarge
Etusivu Hüdraulika Hüdraulika tarvikud Hüdraulikafiltrid Universaalsed hüdraulikafiltrid Hüdrofilter 220bar HP0502A25ANP01 MP Filter Italy
Hüdrofilter 220bar HP0502A25ANP01 MP Filter Italy Universaalsed hüdraulikafiltrid Hüdraulikafiltrid
Hüdrauliline jagaja 3-sektsiooniline 40L / - 3x ujuva sektsiooniga €300,00 €219,00 Sisaldab km
Back to products
Hüdrofilter 220bar HP0502A25ANP01 MP Filter Italy Universaalsed hüdraulikafiltrid Hüdraulikafiltrid
Hüdrauliline jagaja 3-sektsiooniline 40L / min + ISO EURO Kiirliitmikud - [üks ujuv sektsioon] €188,85 Sisaldab km

Hüdrofilter 220bar HP0502A25ANP01 MP Filter Italy

Monthly payment from €8,44 / 24 months

€245,54 €168,00 Sisaldab km

Varastossa (voidaan jälkitoimittaa)

Osasto: Universaalsed hüdraulikafiltrid Avainsanat tuotteelle Hüdraulikafiltrid, Universaalsed hüdraulikafiltrid
Share:
  • Kuvaus
  • Infopäring
Kuvaus

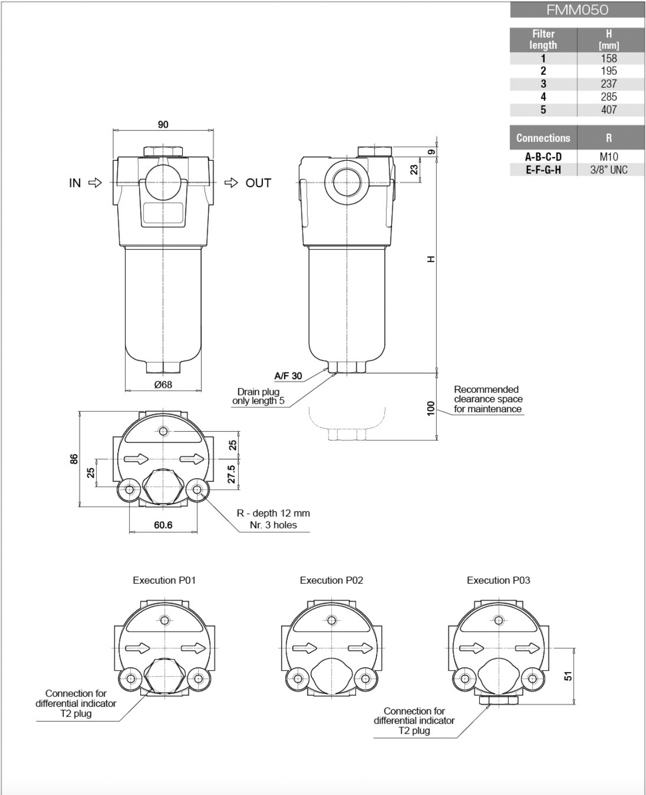
Töörõhk 220 baari – 3190 psi
Voolukiirus 110 l/min – 29 gpm
Projekti DeltaP max 1,50 baari – 22 psi
Töötemperatuur 40 °C – 105 °F
Filtreerimine A25 – 25 μm absoluutne anorgaaniline mikrokiud

Vedelik HLP
Vedeliku tüüp ISO VG 32 (SUS 151)
Viskoossus 32 Cst – 150 SUS

Max. Töörõhk 420 baari – 6090 psi
FILTRI SUURUS

Vahemik
FMM
Suurus
050
Pikkus
2
Möödaviik
B
Tihend
A
Ühendus
D

Filtreerimine
A25

Filtrielemendi tüüp HP0502A25ANP01
Ühendused G 3/4″
Elementide arv filtrikorpuses 1

Infopäring

    Tutustu myös

    Hüdroõli filter tagasivoolu AMF 151 CV SOFIM Universaalsed hüdraulikafiltrid Hüdraulikafiltrid

    Hüdroõli filter tagasivoolu AMF 151 CV SOFIM

    €17,20 Sisaldab km
    Lisää ostoskoriin
    WKA, filter SPM rõhuta CCH302FV1 Imemistorustiku õlifiltrid Hüdraulikafiltrid

    WKA, filter SPM rõhuta CCH302FV1

    €44,71 Sisaldab km
    Lisää ostoskoriin
    Hüdrauliline filter AMF 301 MN AHC Imemistorustiku õlifiltrid Hüdraulikafiltrid

    Hüdrauliline filter AMF 301 MN AHC

    €45,60 Sisaldab km
    Lisää ostoskoriin
    Hüdrosüsteemi imemistorustiku filter AMF 301 MN 1AB606 SOFIM Universaalsed hüdraulikafiltrid Hüdraulikafiltrid

    Hüdrosüsteemi imemistorustiku filter AMF 301 MN 1AB606 SOFIM

    €89,20 Sisaldab km
    Lisää ostoskoriin
    Hüdrauliline filter tagasivoolul 301 CV AMF 1BB606 SOFIM Universaalsed hüdraulikafiltrid Hüdraulikafiltrid

    Hüdrauliline filter tagasivoolul 301 CV AMF 1BB606 SOFIM

    €64,58 Sisaldab km
    Tüüp: AMF 301 CV 1 B B4 06 SOFIMA Sisekeere (mõlemad pooled): 1 1/4 ” Filtreerimine: 25 µ Tootja: Sofima
    Lisää ostoskoriin
    -11%
    Hüdrauliline filter tagasivoolul 151 CV AMF 1BB406 SOFIM Universaalsed hüdraulikafiltrid Hüdraulikafiltrid

    Hüdrauliline filter tagasivoolul 151 CV AMF 1BB406 SOFIM

    €44,00 €39,00 Sisaldab km
    Filter on varustatud spetsiaalse möödavooluklapiga, kui filtrivõrk on määrdunud ja ummistunud. Klapp aktiveerub rõhul 1,7 baari ja kaitseb filtrit lõhkemise
    Lisää ostoskoriin
    Hüdrauliline filter tagasivoolul 301 CV AMF 1BB606 AHC Universaalsed hüdraulikafiltrid Hüdraulikafiltrid

    Hüdrauliline filter tagasivoolul 301 CV AMF 1BB606 AHC

    €56,30 Sisaldab km
    tüüp: AMF 301 CV 1 B B4 06 AHC Sisekeere (mõlemad pooled): 1 1/4" Filtreerimine: 25 µ:   Max rõhk: 12 bar Möödavooluklapi rõhk: 1,7 bar   Vooluhulk: 170 l/min – õli tihedusega 30 CST (vastab HL 30-le)
    Lisää ostoskoriin
    Manomeeter hüdrauliline vaakumfilter AMF SOFIM Universaalsed hüdraulikafiltrid Hüdraulikafiltrid

    Manomeeter hüdrauliline vaakumfilter AMF SOFIM

    €13,20 Sisaldab km
    Lisää ostoskoriin
    HÜDARULIKAFILTRI korpus rohuvabal XTT 301 CV1 CB4 03XX Universaalsed hüdraulikafiltrid Hüdraulikafiltrid

    HÜDARULIKAFILTRI korpus rohuvabal XTT 301 CV1 CB4 03XX

    €132,00 Sisaldab km
    Lisää ostoskoriin
    Hüdroõli filter Tüüp: AMF 601 MN SOFIM Imemistorustiku õlifiltrid Hüdraulikafiltrid

    Hüdroõli filter Tüüp: AMF 601 MN SOFIM

    €48,02 Sisaldab km
    Lisää ostoskoriin
    Hüdrofilter imemistorustikule AMF 151 MN 1AB406 SOFIM Universaalsed hüdraulikafiltrid Hüdraulikafiltrid

    Hüdrofilter imemistorustikule AMF 151 MN 1AB406 SOFIM

    €48,02 Sisaldab km
    Lisää ostoskoriin
    Hüdrauliline tagasivoolul filter 601 CV AMF 1BB606 SOFIM Universaalsed hüdraulikafiltrid Hüdraulikafiltrid

    Hüdrauliline tagasivoolul filter 601 CV AMF 1BB606 SOFIM

    €118,80 Sisaldab km
    Lisää ostoskoriin

    info@flexib.ee

    Hüdraulika komponendid, tarvikud, tööriistad, rasketehnika hüdraulika ja määrdeained.

     Tuleviku tee 10, Peetri (Kontor)
     Tel: +372 53449284
    E-mail: info@flexib.ee

    Saada infopäring
    Kliendile
    • My Account
    HÜDRAULIKA
    • Hüdrojagajad
    • Hüdrosilindrid
    • Hüdropumbad
    • Hüdromootorid
    • Dosaatorid
    • Hüdroakud
    • Hüdraulilised rotaatorid
    • Hüdraulika tarvikud
    • Hüdraulika komplektid
    • Hüdraulilised roolivõimendid
    RASKETEHNIKALE
    • Põllumajandus
    • Traktorite ja rasketehnika hüdraulika
    • Reduktorid ja kordistajad
    • Istmed ja traktori toolid
    • Haakeraua hüdraulika
    • Ruloonpiigid
    LISA
    • Hüdrojaamad
    • Elektrimootoriga hüdrojaamad
    • Õlipumbad koos elektrimootoriga 380V
    • Elektrimootorid
    • Ühendusflantsid ja sidurid
    • Elektrilised juhtpaneelid
    • Rattad
    SELLINGBERG OÜ
    • Menu
    • Categories
    • Hüdraulika
      • Hüdraulika komplektid
      • Hüdraulika tarvikud
    • Hüdrosilindrid
    • Hüdropumbad
    • Hüdromootorid
    • Hüdrovoolikud
    • Hüdrojaamad
    • Hüdroõli paagid
    • Hüdroõli
    • Joystick juhtimine ja juhtkangid
    • Reduktorid ja kordistajad
    • Elektrimootorid
    • Raadio juhtpuldid
    • Tarvikud
      • Rattad
      • Õliradiaatorid
    • Põllumajandus
    • Tööriistad
    • Shop
    • Login / Register
    Shopping cart
    close